Описание
Характеристики
Отзывы
Описание
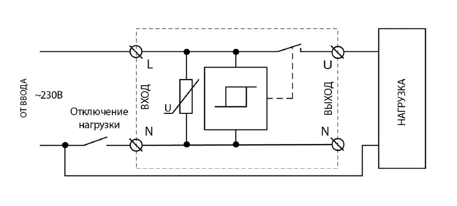
НАЗНАЧЕНИЕ УСТРОЙСТВА : Устройство защиты многофункциональное УЗМ (далее устройство) предназначено для использования в квартире, доме, офисе и т.д. с целью защиты однофазных потребителей от работы на повышенном или пониженном сетевом напряжении; защиты однофазных потребителей от разрушающего воздействия импульсных скачков напряжения, вызванных срабатыванием близкорасположенных и подключённых к этой же сети электродвигателей, магнитных пускателей или электромагнитов, а так же защиты сети от длительной перегрузки по потребляемой мощности. Устройство может применяться в сетях любой конфигурации; TN-C, TN-S, TN-C-S, ТТ. Устройство не заменяет другие аппараты защиты (автоматические выключатели, УЗИП, УЗО и пр.). При включении УЗМ по схеме. 1в, возможно дистанционное управление нагрузкой (функция импульсного реле). При отключении нулевого проводника устройство отключает нагрузку, а при подключении включает с установленной задержкой. Устройство так же снижает пусковой ток за счёт замыкания контактов реле при нулевом сетевом напряжении (переходе сетевого напряжения через ноль, технология). РАБОТА УСТРОЙСТВ При подаче питания устройство начинает контроль сетевого напряжения. Если напряжение сети находится между заданными в настройках значениями верхнего Umax и нижнего Umin порогов срабатывания начинается отсчет времени автоматического повторного включения (АПВ). Если до окончания отсчета времени АПВ напряжение сети не выйдет за установленные пороги срабатывания, то по окончании отсчета произойдет подключение нагрузки к сети. Возможно ускоренное включение нагрузки вручную путём нажатия кнопки «ВКЛ-ВЫКЛ». Устройство осуществляет непрерывный контроль сетевого напряжения. При выходе напряжения сети за установленные пороги срабатывания (аварии), устройство отсчитывает задержку срабатывания. Если длительность аварии по напряжению сохраняется более соответствующей задержки срабатывания, происходит отключение нагрузки от сети. После нормализации напряжения устройство подключает нагрузку, после отсчета времени АПВ. Если в процессе отсчета времени АПВ напряжение сети повторно выйдет за заданные пороги срабатывания, отсчет времени АПВ сбросится. При попытке ручного включения в аварийном режиме устройство не позволит включить питание на нагрузку. Двухцветная индикация работает в различных режимах: Если напряжение приближается к верхнему порогу отключения индикатор норма-авария мерцает красным, индикатор реле горит желтым. При выходе напряжения за верхний порог желтый индикатор реле выключается, а индикатор норма/авария горит постоянно красным. При возврате напряжения в норму индикатор реле мигает желтым (отсчитывая время АПВ), индикатор норма/авария горит постоянно зеленым. Если напряжение приближается к нижнему порогу отключения индикатор норма/авария мерцает красным, индикатор реле горит желтым. При выходе напряжения за нижний порог желтый индикатор реле мигает отсчитывая задержку выключения и после выключается, а индикатор норма/авария мигает красным. При возврате напряжения в норму индикатор реле мигает желтым (отсчитывая время АПВ), индикатор норма/авария горит постоянно зеленым. Если принудительно нагрузку отключили от сети нажатием кнопки «ВКЛ-ВЫКЛ» двухцветная индикация указывает на это поочерёдным включением красного и зелёного индикатора. Повторное нажатие кнопки «ВКЛ/ВЫКЛ» возвращает изделие в рабочий режим. При внутреннем перегреве контактов реле нагрузка отключается (только для УЗМ-51МТ). Индикатор норма/авария и индикатор/перегрев реле одновременно мигают красным. Данная ситуация может возникнуть при длительной коммутации тока нагрузки более 63А или плохой затяжке клемм подключения проводов. ВНИМАНИЕ! При отключении нагрузки кнопкой «ВКЛ-ВЫКЛ» устройство остаётся в выключенном состоянии так же после отключения и повторного включения напряжения питания. Включить реле можно только повторным нажатием кнопки «ВКЛ-ВЫКЛ» (удерживать 2 секунды). Пользователь самостоятельно может изменить задержку времени включения (10с или 6мин) для этого: вручную кнопкой «ВКЛ-ВЫКЛ» выключить внутреннее реле; затем нажать и удерживать кнопку «ВКЛ-ВЫКЛ» (индикатор «норма-авария» погаснет) до тех пор пока индикатор не начнёт мерцать. Если индикатор мерцает зелёным цветом то время t1 установлено 10 секунд, если красным то время t1 установлено 6 минут; отпустить кнопку «ВКЛ-ВЫКЛ»; нажать кнопку «ВКЛ-ВЫКЛ» ещё раз для перехода в рабочий режим и включения реле. ВНИМАНИЕ! При срабатывании устройства разрывается только фазный провод. Нулевой провод N проходит насквозь для удобства монтажа и не коммутируется. Допускается подключение вывода N только с одной стороны (Например при подключении к трёхфазной сети трёх УЗМ можно объединить нулевые выводы с одной стороны). Показать полностью
Характеристики
Бренд
МЕАНДР
Отзывы
Отзывов еще никто не оставлял
