Описание
Характеристики
Отзывы
Описание
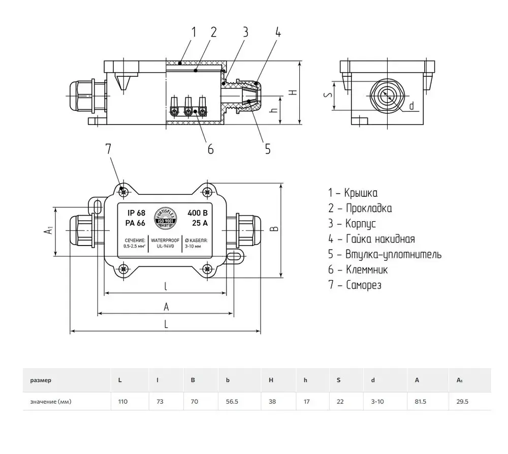
Особенности: - Cтепень защиты коробки в сборе: IP68; - Материал корпуса коробки: нейлон 6.6, не содержит галогенов, не распространяет и не поддерживает горение (согласно UL 94 V0); - Материал уплотнителей кабельных вводов и прокладки крышки коробки: силикон; - Температура эксплуатации: от -40 °C до +105 °C; - Максимальный ток (в зависимости от сечения проводов и клеммников): 25-40 А; - Максимальное напряжение: 400 В; - В конструкции коробок предусмотрены интегрированные герметичные кабельные вводы типа MG; - Съемные крышки коробок прикручиваются с помощью шурупов входящих в комплектацию; - Уникальная конструкция MG box «Fortisflex» исключает риск протечки в месте монтажа кабельного ввода к коробке, поскольку и коробка, и кабельные вводы представляют собой единое целое и отливаются вместе как единая конструкция за один раз. Состав набора: - Коробка с интегрированными MG вводами; - Крышка; - Уплотнительные кольца различных диаметров; - Прокладка между корпусом и крышкой; - Клеммная колодка; - Шурупы. Распределительная коробка Fortisflex MG Box S-3, количество вводов: 3, пластик, цвет черный. Коробки предназначены для герметичного соединения и ответвления кабельных линий, а также их защиты от влаги и воздействия окружающей среды. Эластичные уплотнительные кольца обеспечивают возможность монтажа кабеля различного диаметра. В нашем магазине большой ассортимент распределительных коробок. Чтобы перейти к каталогу, кликните по фотографии. Показать полностью -1-x/ww1200/6959323401.jpg -1-u/ww1200/6959323398.jpg -1-l/ww1200/6959323389.jpg -1-l/ww1200/7045372785.jpg
Характеристики
Бренд
Fortisflex
Отзывы
Отзывов еще никто не оставлял
